Продажа 1-комнатной квартиры

Кировская область, Киров, ул Ленина, 17

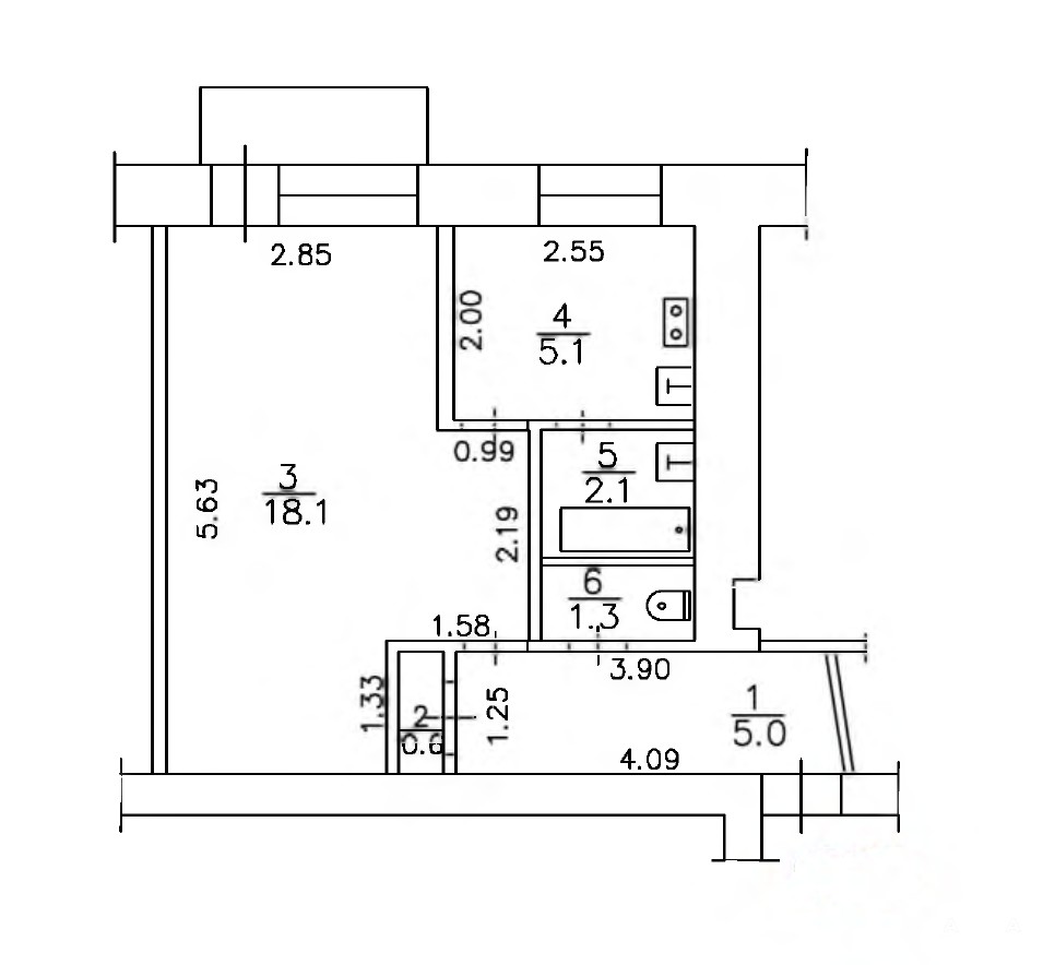
30 м²
Площадь
18 м²
Жилая площадь
6.00 м²
Площадь кухни
4/5
Этаж

2 600 000 ₽

86 667 ₽ за м²

ID объявления 12076659

Поделиться

Добавить в избранное

Арт. 86407903. ** 1-комнатная квартира в Нововятске, по адресу: город Киров, Нововятский район, улица Ленина, 17. Расположена на 4 этаже 5-этажного кирпичного дома.

** Отличная планировка. Квартира не угловая. Общая площадь: 30 кв. м., жилая: 18 кв.м., кухня: 6 кв.м. Санузел в кафеле, установлена мойка и приборы учёта расхода горячей и холодной воды. Произведен косметический ремонт: пол - ламинат, окна - пластиковые стеклопакеты, свежие обои.

** В доме произведен свежий капитальный ремонт системы холодного водоснабжения. Большая придомовая территория с достаточным количеством парковочных мест. Чистый подъезд. Отсутствие проблем с обеспечением коммунальными услугами, установлен общедомовой прибор учёта отопления (низкие коммунальные платежи).

** Вся необходимая инфраструктура рядом. В шаговой доступности: детские сады № 227 и № 231, школа № 61, продуктовые магазины "Пятёрочка", "Магнит", "Красный мак", почта, аптеки, филиал Сбербанка, поликлиника, остановки общественного транспорта. Рядом обновленный парк с местами для прогулок и занятий спортом: стадионы, спортивные площадки. Расположен в квартале улиц: Октябрьская/Ленина/Коммунистическая/Парковая.

** Примем в оплату ваше жильё. Обеспечим своим клиентам скидки к процентной ставке по ипотеке. Являемся официальным партнёром всех банков. Возможно использование любых сертификатов и материнского капитала. Долгов и обременений нет, 1 взрослый собственник.

Дата обновления: 3 декабря 2025

Квартира От собственника